Ham Radio Repair & Upgrade
January 30, 2025
This is the humble TM-732A, a Kenwood brand Ham Radio, with both UHF and VHF capabilities.

Originally, it came with orange incandescent bulbs. These bulbs were attached to a dimmer circuit that used a transistor. It used 4 lights in 2 pairs, each pair with a 10 Ohm resistor in series.
Bulbs

Dimmer

I chose to replace these bulbs, as they had burnt out, with sick red LEDs, to give the radio a more cyberpunk / professional appearance.
I used some simple ohms law calculations that I was taught in college and utilized the following equation to size the current limiting resistors that i would replace the 10 Ohms with:

Then I simply got two 1/8th watt resistors who amount added up to very close to 530, soldered them in series, then replaced the 10 ohms and bulbs as so:

Then I was able to put it all together again and show this nice video:
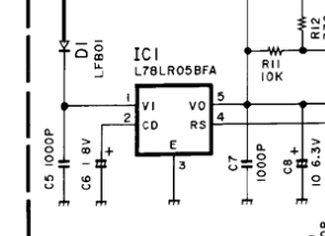
Capacitors
I also attempted to fix an issue with the radio not turning on. It appeared to be a voltage regulator issue. I replaced the delay capacitor on the L78LR05 that was on the display board, and that seemed to fix it. Although I ran it without such a capacitor and with the reset pin of said regulator cliped for a while, I do not recommend it.
I also replaced a larger electrolytic capacitor on the board with a new one of the same capacity.
For this project I also had to track down the manuals, so for the TM-732A, here is the Owner's manual and the Service Manual.
If you wish to try your hand at fixing up a radio such as this, I highly recommend printing out relevant pages of the service manual and annotating them so you can begin to understand the circuit diagram, it became much easier for me once I did that.